← Back to All Solutions

Water Treatment Solutions

Water Treatment control and monitoring can be complex — PLCs and HMIs make it simple with few touches and at-a-glance visibility.

Reservoir Dam Control

Reservoir Dam Control System

  • Automated gate, winch and pump control based on water level
  • Real-time monitoring of hydraulic and operating hours
  • Comprehensive alarm system

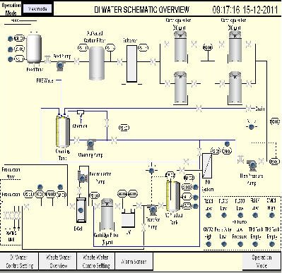
DIW & Waste Water Plant

Upgraded from mimic panel to modern touch screen with remote monitoring capabilities.

Dam Control Interface DIW & Waste Water Plant